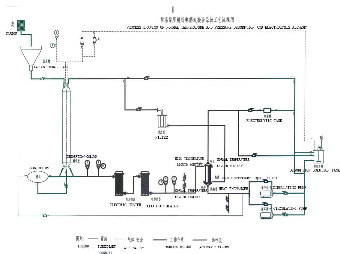
常温常压解吸电解系统是一种用于黄金提取工艺中从载金炭上回收金的高效环保设备,广泛应用于中小型黄金矿山的炭浆法(CIP)或炭浸法(CIL)提金流程。该系统在常温常压条件下运行,无需高温高压或易燃有机溶剂,显著降低了能耗与安全风险,是近年来替代传统高温高压解吸工艺的重要技术方向。
工作原理
常温常压解吸电解系统通过化学药剂与电化学过程协同作用,实现金的高效回收。其核心流程如下:
- 解吸过程:将载金炭置于解吸柱中,使用特定的无氰解吸液(如碱性水溶液或复合药剂)在常温(约80–100℃)、常压下循环淋洗,利用离子交换原理将金氰络合物 [Au(CN)₂⁻] 从活性炭表面解吸进入溶液,形成含金贵液。
- 电解过程:贵液进入电解槽,在直流电作用下,金离子在阴极表面还原沉积为金泥;阳极通常采用不溶性材料(如钛板),避免污染电解液。
- 闭环循环:解吸液可重复使用,系统实现密闭循环运行,减少药剂消耗与废水排放。
部分先进设备(如SK系列)采用无电解直接沉金技术,通过特效化学沉淀剂(如GSR)将贵液中的金直接沉淀为金泥,省去电解环节,进一步简化流程。

产品结构
常温常压解吸电解系统通常由以下几个核心模块组成:
- 解吸柱:容纳载金炭与解吸液,提供充分接触时间,具备良好密封与保温性能;
- 电解槽(或沉金反应器):用于贵液中金的电解沉积或化学沉淀;
- 加热系统:电加热器或蒸汽加热装置,维持解吸所需温度;
- 循环泵与管路系统:实现解吸液与贵液的循环输送;
- 过滤器:去除贵液中的杂质颗粒,保护电解系统;
- 电控柜与自动控制系统:实现温度、压力、液位、电流等参数的自动监控与调节;
- 水处理系统(部分机型):对循环液进行净化,延长使用寿命。
产品优势
- ✅ 运行安全:无需高温高压或氰化物,操作环境安全可靠;
- ✅ 节能环保:耗电量仅为常规系统的1/4~1/2,且无有毒废气、废液排放;
- ✅ 成本低:省去炭火法再生、电解设备维护及氰化钠采购成本;
- ✅ 金泥品位高:沉淀或电解所得金泥纯度可达95%~99%,易于后续冶炼;
- ✅ 残炭活性好:解吸后贫炭无需火法再生,可直接回用于吸附作业,节省再生成本;
- ✅ 自动化程度高:配备智能控制系统,实现一键启停、故障报警与远程监控;
- ✅ 占地面积小:结构紧凑,适合中小型矿山现场安装与移动式作业。















